Как пользоваться мультиметром в автомобиле: подробная инструкция для чайников

Всем привет! Думаю, многие автомобилисты и просто электрики согласятся, что наличие мультиметра очень помогает в повседневной жизни. Он может пригодиться в быту и при обслуживании или ремонте транспортного средства. Потому сегодня поговорим немного о том, как пользоваться мультиметром и делать это правильно.
Можете называть устройство тестером, мультиметром (МТМ) или цешкой. Хотя тестер и МТМ не совсем одно и то же. Но предлагаю не зацикливаться на обозначениях, а просто поговорить на актуальную тему.
С помощью таких устройств можно проверить параметры напряжения, работу электрического оборудования, сделать замеры тока и сопротивления. Вообще МТМ являются многофункциональными устройствами, и должны находиться в автомобиле каждого водителя.

Методики измерений
Для выполнения рабочих операций переключатель переводится в нужное положение. Черный провод щупа подключают к общему гнезду («Com»). Красный – устанавливают с учетом максимальной силы тока.

Органы управления
Сначала можно рассмотреть, как измерить напряжение мультиметром в розетке. Эта операция выполняется по следующему алгоритму:
- Провода подсоединяют так, как указано на рисунке выше.
- Переключатель переводят из «Off»в режим измерения переменного напряжения«V~». В данном случае используют диапазон «750», так как предполагаемое значение – 220 Вольт.
- Прибор устанавливают поблизости от розетки
- Щупы вставляют в нее, держась руками за изолированные части щупов.

Демонтировать аккумулятор для измерений не обязательно. Но надо не забыть перевести регулятор в положение «Постоянное напряжение»
Как проверить мультиметром сопротивление
Такую процедуру выполняют со снятием напряжения в месте измерения. Невыполнение правила ухудшит точность данных, либо выведет технику из строя. Это же не следует делать, чтобы предотвратить потенциально опасные для человека ситуации. Если не известно, вначале устанавливают максимальное значение. Далее переключателем снижают диапазон вплоть до выбора оптимального варианта.

Для удобства работы применяют специальные зажимы («крокодилы»)
Если знать, как мультиметром замерить сопротивление, можно выяснить исправность нагревательного элемента чайника, другой бытовой техники
Как измерить силу тока мультиметром
Для этой операции необходимо создать разрыв цепи. К нему подключают прибор с учетом предполагаемой величины тока. Как и в предыдущем случае, выбирается диапазон с максимальным значением. Если необходимо, регулятор переводят постепенно в нужную позицию.

Для определения силы тока прибор устанавливают в электрическую цепь последовательно
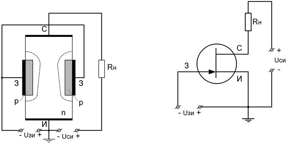
Как проверить мультиметром полевой транзистор
Диагностика этих электронных приборов помогает выяснить исправность полупроводниковых переходов. В стандартном варианте применения ток течет по направлению от истока (И/ S) к стоку (С/ D). Этот процесс регулируется изменением электрического потенциала на затворе (З/ G).

Полевой n-канальный транзистор
Обратите внимание! Особенностью этих приборов является повышенная чувствительность к статическому напряжению. Даже в режиме хранения создают постоянный электрический контакт между всеми выводами с применением металлической проволоки, фольги
Проверку выполняют по следующему алгоритму:
- Регулятор мультиметра переводится в режим работы с диодами.
- «Минусовой» черный щуп присоединяют к истоку (И/ S), красный – к стоковому (С/ D) контактному выводу. В нормальном состоянии на дисплее отобразится 0,6 V (допустимое отклонение в пределах ±0,1V).
- Далее щупы меняют местами. В этом положении на экране появляется горизонтальная восьмерка (знак «бесконечность»). Вместо нее в некоторых приборах выводится единица.
- Чтобы открыть p-n-p переход щуп «минус» присоединяют к истоку, «плюс» – к затвору (З/ G).
- Далее «плюс» перемещают на сток. В этом положении должно индицироваться напряжение в диапазоне0 – 0,8V.
- Результат измерений на исправном транзисторе не изменяется, если сменить полярность.
Проверка конденсаторов мультиметром
Приборы, установленные в печатных платах, предварительно осматривают. При обнаружении вытекшего электролита, трещин и вздутий на корпусе, проверка не нужна. Изделие меняют на новое.
Измерение выполняют с извлечением конденсатора из электрической схемы, чтобы обеспечить хорошую точность. После демонтажа любым проводником с изолированной рукояткой (отверткой) разряжают прибор, замкнув выводы. Также используют лампу накаливания, чтобы процесс был плавным.
Далее мультиметром проверяют отсутствие короткого замыкания. Для проверки зарядки устанавливают регулятор в режим измерения сопротивления и подсоединяют щупы. Показания на табло будут постепенно расти, пока не достигнут максимума.

В некоторых моделях мультиметров есть специальные контактные площадки и регулировки диапазонов для измерения емкости конденсаторов
Диагностика простых повреждений
Если досконально выяснить, как прозвонить транзистор мультиметром, то применять иные методики будет не трудно. Но в действительности, чаще всего требуется определять разрывы в электрических цепях. Для упрощения этих операций многие мультиметры оснащают специальной функцией. Она активизируется при переводе регулятора в положение «прозвонка». О наличии контакта сообщает сигнализация.

Синей линией выделено включение прибора в режим проверки со звуковым сопровождением
Цены на популярные модели мультитестеров
Здесь речь пойдет о том случае, когда стоимость действительно соответствует качеству. Простейшие приборы сейчас из Китая привозят за 300-500 рублей. Работают они недолго. Корпус капризный. О подсветке дисплея производитель даже не думал. Конденсаторы, резисторы мерить не получится, сеть 220 Вольт тоже. Ценовая категория до 2500 рублей – минимум, что необходимо для любителя. Профессионалу придется потратить от 5 до 25 тыс. рублей. И здесь все решает потребность. Когда требуется широкий спектр функциональных возможностей, за это придется платить. Однако в быто точность 5% вполне приемлема. Поэтому тратить больше 2,5 тысяч смысла не имеет.
ПолезноБесполезно
Напряжение и мультиметр
Посмотрим, как измерить напряжение мультиметром. В первую очередь необходимо проконтролировать расположение тумблера прибора. Чтобы подготовить устройство для замера напряжения, нужно повернуть его из выключенного положения (обозначается как «OFF») до отметки V~ (английская буква «V» и волнистая черта, обозначающее переменное напряжение). На некоторых мультиметрах этот режим обозначается аббревиатурой «ACV». Этапы проверки переменного напряжения:
Установка красного щупа в гнездо с маркировкой «V/Ω» или «VΩmA» (это – плюсовой потенциал), чёрного – в гнездо «COM».
- Проверка переключателя (он должен быть на отметке V~).
- Установка уровня проверки (если планируется измерять переменное напряжение в электрической сети с номинальным значением в 220 Вольт, следует установить уровень проверки на чуть большее значение, например, на 236 В, а можно – на самое максимальное).
- Вставка щупов в розетку, для напряжения тока в которой необходимо сделать проверку.
На экране электронного мультиметра появятся цифры, обозначающие искомое переменное напряжение.

Стрелочный мультиметр в выключенном состоянии Источник img1.bgxcdn.com
Далее рассмотрим, как пользоваться тестером напряжения для проверки вольтажа батареек. Для измерения постоянного напряжения стрелочным или электронным мультиметром, следует вставить в гнёзда «V Ω mA» и «COM» красный и тёмный щуп соответственно, затем перевести выключатель на «V-».
После установки уровня проверки (потребуется поставить его, как в предыдущем примере на чуть большее цифровое значение, чем имеет предполагаемый объект измерения). Два свободных конца щупов нужно подключить к проверяемому объекту (например, к двум концам батарейки), соблюдая полярность («+» и «-»).
В случае, если на экране прибора появилось значение с одним или двумя нулями впереди, но без запятой, значит, было установлен слишком большой уровень проверки. Нужно путём постепенного его уменьшения и проведения замеров добиться нормального числа. Например, для батарейки сначала может появиться значение «008», а после указанных манипуляций – «8,9». Это обозначает, что аккумуляторное напряжение примерно равняется 9 Вольт.

Мультиметр показывает вольтаж батарейки Источник masteram.com.ua
Когда на экране оказывается «1», может предварительно избранный порог замера слишком велик, тогда его нужно путём постепенного уменьшения довести до подходящего.
Измерение различных величин
В комплекте с мультиметром всегда идут два щупа — чёрный и красный. Первый из них имеет отрицательный заряд, второй — положительный. С помощью них и проводятся измерения: один конец каждого из проводов подключается к устройству, а другой — к элементу или участку электрической цепи.
Общие правила
При измерении разных величин алгоритм работы с мультиметром будет отличаться, но существует несколько общих рекомендаций. К ним относятся, например, правила техники безопасности:
Щупы можно держать только за изолированную часть, не касаясь металлической иголки. Это может не только повлиять на результаты измерений, но и привести к удару электрическим током. Целостность изоляции при каждом использовании необходимо проверять. Если она повреждена, провод нужно замотать изолентой или заменить. Особенно опасно применять повреждённые щупы при измерении напряжения.
Перед подключением мультиметра к участку сети необходимо тщательно проверить правильность настроек величины и пределов измерений, а также соответствие щупов нужным разъёмам
Важно никогда не измерять напряжение, если щуп подключён к гнезду A10 — это вызовет короткое замыкание.
При неуверенности в диапазоне величин нужно начинать с самого большого значения и постепенно уменьшать его, пока дисплей не покажет цифры. Причина этого в том, что при попытке измерить ток или напряжение, значение которых намного выше предела, мультиметр может выйти из строя.
При изменении диапазона желательно снимать щупы или обесточивать цепь, иначе прибор сломается
Исключение составляет измерение сопротивления.
Единицы измерения, отображаемые на дисплее мультиметра, учитывают выбранный на приборе предел, то есть могут быть показаны, например, сразу в килоомах или микроамперах. Результат выдаётся с точностью до сотых, поэтому при получении слишком маленьких значений он может не отображаться — чтобы исправить это, нужно уменьшить диапазон.
Сила тока
Чтобы измерить силу тока, мультиметр нужно подключить к разрыву в электрической цепи. Для этого её нужно будет разомкнуть и сомкнуть с помощью щупов, которые на момент измерения станут одним проводом — с этим могут возникнуть определённые сложности. Помочь решить проблему могут 2 клеммника для мягких проводов, которые временно крепятся к щупам.
Сначала систему отключают от питания, затем один из проводов в ней разрезается. Потом подключается мультиметр — красный щуп подсоединяется к плюсовому полюсу источника питания, а чёрный — к следующему за ним элементу. Затем они вставляются в соответствующие разъёмы на приборе для измерений. Для первого это будет верхнее или среднее гнездо, для второго — нижнее. Выбирать их нужно исходя из предполагаемой силы тока.
После этого в систему подаётся питание, стрелку на приборе поворачивают, и он измеряет нужную величину. Желательно проводить эту процедуру как можно быстрее — при задержке в 10 секунд провода начинают нагреваться, из-за чего могут возникнуть неполадки
Во время всего процесса стоит соблюдать осторожность и избегать любых контактов с неизолированными элементами системы
Сопротивление элементов цепи
Измерять сопротивление с помощью мультиметра проще и безопаснее всего. Для этого нужно подключить щупы прибора к элементу, перевести стрелку выключателя в сектор Ω и дождаться вывода цифр на дисплей. Единственный нюанс, который стоит учесть — это то, что цепь перед процедурой нужно отключить от питания и полностью «разрядить», иначе показания могут быть неправильными. Так происходит потому, что мультиметр определяет препятствование цепи прохождению по ней электричества за счёт самостоятельного создания в проводе незначительного напряжения и по его падению вычисляет сопротивление.
Постоянное и переменное напряжение
Чтобы изменить напряжение мультиметром, нужно определить, переменное оно или постоянное, после чего поставить стрелку прибора в соответствующее положение. Диапазон подбирается так же, как и в случае с током — при неуверенности в числах выбирается наивысшая граница, которая затем постепенно снижается, если нужно. Это убережёт устройство от перегревов, при которых может сгореть предохранитель или внутренние элементы.
Чем грозит большой ток утечки на машине

Самая частая (хотя и не самая страшная) проблема из-за непомерной утечки тока в автомобиле — это быстро и часто разряжающийся аккумулятор. Замечают это обычно тогда, когда АКБ отслужила несколько лет, и уже не способна накапливать много энергии. Непомерный ток утечки, может быть, появился на машине намного раньше. Однако, пока аккумулятор «молодой и бодрый», его запасов хватает на многодневное потребление в несколько миллиампер. У старой батареи ампер-часов меньше, чем у новой, вот она и садится быстро.
Для нового аккумулятора большие токи утечки тоже далеко не полезные
Постоянная нагрузка будет, намного или нет — неважно, разряжать батарею. А стартёрные аккумуляторы сохраняют свой ресурс тем дольше, чем больше времени они пребывают в полностью (или почти) заряженном состоянии
Если же каждый божий день АКБ будет высаживаться сначала чуть-чуть, а потом до половины и так далее — двигатель запускать по утрам будет можно, но ресурс аккумулятора быстро сократится. Начнётся сульфатация пластин, постепенно уменьшится ёмкость, и прощай новый АКБ через пару лет после покупки.
Более серьёзные проблемы могут возникнуть, когда утечка тока в автомобиле вызвана короткими замыканиями, повреждениями изоляции и попаданием воды. В таких случаях возможен нагрев проводников или деталей электрооборудования. А это уже грозит самовозгоранием. Причём, что самое страшное, машина из-за этого чаще загорается ночью, когда рядом никого нет. Соответственно, своевременных мер никто не принимает, в результате чего автомобиль выгорает до голого кузова.
Такое, конечно, встречается не сплошь и рядом. Но и менее страшные проблемы, например, когда разряжается новый аккумулятор, неприятны, и указывают на наличие неисправности. А это значит, что надо знать о возможных причинах утечки тока.
Верный диапазон
Перед тестированием переменного напряжения нужно поставить правильный диапазон. Для наших розеток это будет 750 В. Потому что на практике в домах обычно присутствует 230 В (для совместимости с европейской техникой), и 200-вольтовой шкалы в этом случае будет маловато. Сверьтесь с нашим рисунком по поводу установки диапазона. Группа переменных напряжений маркируется латинской литеров V, за которой идёт тильда.
При работе в этом режиме полярность щупов не имеет значения. Но мы бы рекомендовали применять красный провод для фазы. Просто для того, чтобы обрести правильные навыки работы. Щупы прекрасно входят как в евророзетки, так и в обычные. Дисплей должен показать 220-230 В.
Инструкция по использованию
Теперь немного подробнее расскажу вам о том, как своими руками воспользоваться мультиметром цифрового типа, чтобы сделать разные замеры параметров.
В нашем материале будет рассмотрено измерение:

Напряжение
Измерить напряжение самостоятельно не сложно. Но подробная инструкция на такой случай точно не помешает.
Последовательность ваших действий будет такая:

- Переведите переключатель в соответствующее положение;
- В сети, где имеется переменное напряжение, стрелка должна располагаться в зоне ACV;
- Щупы МТМ идут в гнезда СОМ и VΩmA;
- Теперь выставляйте подходящий примерный диапазон;
- Если сомневаетесь, переводите в максимальное значение;
- Когда на табло появится цифра, можно отрегулировать положение;
- Если это сеть с постоянным напряжением, МТМ применяется так же;
- Но во втором случае переключатель лучше поставить в положение 20 В;
- Щупы к цепям следует подключать строго параллельно.
Вы наглядно можете видеть, что ничего сложного в этой процедуре нет. А потому вы с легкостью своими руками сможете измерять напряжение, которое сейчас наблюдается в электросети. Как переменное, так и постоянное.
Тут главное не касаться голыми руками к щупу, поскольку он будет находиться под воздействием тока.

Сила тока
Для определения параметров тока первым шагом является ответ на вопрос о том, какой именно ток идет по проводке. Он бывает переменным и постоянным.
Далее вы смотрите по оборудованию или прибору, какое ориентировочное значение тут может быть. Измеряется показатель в Амперах, то есть обозначается буквой А.
- В зависимости от параметров примерного напряжения, красный щуп идет в соответствующее гнездо Ω;
- Сначала щуп лучше поставить туда, где токовое значение выше;
- Если на табло увидите меньшее значение, можно переключиться;
- При необходимости уменьшите диапазон измерения;
- Когда МТМ используется в роли амперметра, подключение к цепи происходит последовательно.
И тут, как видите, можно легко справиться самостоятельно. Задача по замерам силы тока выполнена. Потому переходим к следующему пункту.

Сопротивление
Самым простым и безопасным мероприятием с применением МТМ является замеры сопротивления.
Тут действуйте следующим образом:
- Переключатель ставится в любое положение в зоне ;
- Выбирается подходящий диапазон измерений;
- Перед операцией отключается питание в сети обязательно;
- Иначе тестер не покажет правильное значение;
- Если видите цифру 1 на табло, либо значения Over и Ol, тогда следует выставить более высокий диапазон;
- В противном случае произойдет перегрузка;
- При появлении 0 тестер переводится в меньший диапазон.
Соблюдение этих простых правил и последовательности в ваших действиях позволит быстро и без особых проблем сделать все необходимые процедуры по измерению сопротивлений.
Хорошая функция мультиметра, которая часто выручает при ремонте домашней бытовой техники. Я, к примеру, недавно починил жене утюг. И тестер оказался крайне полезным в этой работе.

Прозвонка
Я вам ничего не говорил о задней панели мультиметра. Хотя там находится еще несколько функций. Они в основном предназначены для радиотехников, которые профессионально занимаются своей работой. Для задач в домашних условиях или при ремонте авто они не понадобятся.
За исключением одного режима. Его называют режимом прозвонки. Предназначен он для поиска обрывов в электроцепи. Для этого цепь нужно прозвонить. Когда она замкнута, то есть обрыв отсутствует, тогда появляется звуковой сигнал. Если же обрыв есть, тогда звуков никаких не возникнет. Это означает, что вы нашли проблемный участок.
Для проверки нужно разместить два щупа с двух сторон прозваниваемой цепи. Это позволяет отыскать даже незначительный обрыв на протяженной электроцепи.
Но и тут есть важная особенность. Когда вы соберетесь прозванивать цепь, обязательно убедитесь, что электричество выключено. То есть сначала выключается автомат на распределительном щитке, а уже затем делается прозвонка. Так же и при ремонте автомобиля. Нужно выключить мотор и снять минусовую клемму с аккумулятора .

Чем смог, постарался помочь. С вас комментарии и вопросы. Дополнительно можете посмотреть наглядное видео.
Думаю, каждый при желании легко разберется в работе любого современного мультиметра цифрового типа. К тому же, производитель всегда прилагает подробную инструкцию к прибору. Потому работу с устройством всегда нужно начинать с изучения руководства по эксплуатации.
https://youtube.com/watch?v=juCEkqlwlyE
Спасибо всем вам за внимание! Подписывайтесь, оставляйте свои комментарии и задавайте актуальные вопросы!
(5 оценок, среднее: 4,80 из 5)
{SOURCE}
Обзор некоторых типов мультиметров
Сейчас можно встретить большое разнообразие мультиметров с множеством функций. Но основным и популярным прибором является цифровой мультиметр с небольшим числом функций, как например DT-838. Небольшое количество видов измерений вполне достаточно даже для электриков профессионалов.
Аналоговый и цифровые мультиметры
Такие функции как измерение коэффициента передача транзисторов, генераторы, для работы электрика не нужны. Основными функциями измерения для электрика являются измерения постоянного и переменного напряжения, измерение постоянного тока, сопротивления, проверка диодов, звуковая прозвонка.
Цифровые мультиметры имеют удобно читаемый семи сегментный дисплей. Подобные приборы имеют только ручной выбор пределов измерений. Работать с ними нужно внимательно и верно выбирать пределы измерения напряжения и тока, в противном случае можно легко спалить прибор.
Существуют также и автоматические цифровые мультиметры с которыми работать удобней. На таком приборе выбирается только вид измерений напряжения, постоянного и переменного тока, сопротивления. Пределы измерения определяются автоматически, начиная с большего. Вероятность спалить такой прибор минимальная. Разве что перепутаете вид измерения. Например после измерения сопротивления, не переключая вид измерения, начнете мерить напряжение в розетке.
Автоматический мультиметр XB-868
Такую ошибку не выдержит ни один прибор. Поэтому при измерении любым тестером, будьте внимательны и правильно выбирайте пределы и виды измерений. Одним из примеров автоматического мультиметра, является прибор XB — 868. Кроме обычных видов измерений у него имеется автоматическое отключение питания после 15 минут простоя, измерение емкостей, частотомер.
К аналоговым тестерам относятся стрелочные измерительные приборы. Китайский вариант такого тестера YX — 360TR. Стрелочные приборы намного проще цифровых устройств и поэтому значительно надежнее. В этих приборах практически те же функции что и у цифровых. Считается что дисплей цифровых мультиметров удобней. На нём легко читаются показания. Однако шкала стрелочных приборов не такая и сложная, как кажется.
Стрелочный аналоговый тестер YX 360TR
Если этим тестером часто работать, то и читаемость шкалы будет также удобной. Нужно только разобраться в устройстве шкалы и начать работать с прибором. Например, верхняя шкала сопротивления используется для всех пределов измерений сопротивлений. На ней указано сопротивление в омах от 0 до 1000 ом на пределе X1. На пределе X10 показания умножается на 10 и так далее.
Также шкала напряжений от 0 до 250 В. На пределе 1000 В показания шкалы умножаются на 4. Всё довольно просто. На этом приборе имеется ручная калибровка шкалы сопротивлений на заданном пределе. Стрелочные тестеры имеют преимущество в том, что сопротивление измеряется на токах в несколько десятков миллиампер.
При таком токе на показания не действуют электромагнитные помехи, в отличии от цифровых устройств, и легко пробивается окись на выводах измеряемых элементов и проводах. Показания у стрелочных приборов будут достовернее. Прозвонка силовых диодов также будет более надежной. Токи цифровых мультиметров, при измерении сопротивлений и диодов, всего несколько микроампер, что может быть недостаточно для пробоя окиси проводника и грязи.
Надежный с погрешностью 1,5% тестер Ц4353 советских времен
Очень надежными были советские стрелочные тестеры, такие как Ц 4353. До сих пор они считаются лучшими стрелочными измерительными приборами. Эти устройства имеют защиту по напряжению при неправильно выбранном пределе измерений. Точность их измерений достигает 1,5%, что до сих пор считается высоким показателем.
Измерение сопротивления.
Сектор для измерения сопротивления
расположен под секторомпостоянного напряжения и разбит на пять поддиапазонов с пределами измерений:
1. 2000 кОм
; 2.200 кОм ; 3.20 кОм ; 4.2000 Ом ; 5.200 Ом .
обозначающие максимальное значение поддиапазона, в пределах которого ведется измерение.
Вообще эта часть мультиметра более универсальна и не ограничивается только измерением сопротивления резисторов. С ее помощью Вы будете проверять исправность транзисторов, диодов, конденсаторов, обмоток трансформаторов и т.д.
И так, приступим. Измерительные щупы установлены в гнезда, как для измерения напряжений.
Берем резистор номиналом, например, 1.2кОм (1200 Ом), переводим переключатель в положение «2000
», что соответствует диапазону от 0 до 2000 Ом (2 кОм), щупами касаемся выводов резистора и на индикаторе видим результат измерения1205 Ом . Все очень просто.
Измеряем резистор с неизвестным сопротивлением.
Когда номинал резистора неизвестен, поступают так же, как и при измерении напряжений. Переводят переключатель в максимальный предел измерений и, двигаясь по ступенькам вниз, получают искомый результат. При измерении сопротивлений с неизвестным номиналом, не имеет значение с какого предела начинать его поиск. В любом случае мультиметр Вы не сожжете.
Предположим, что мы не знаем номинал резистора. Тогда переводим переключатель в положение максимального предела «2000К
», что соответствует диапазону от 0 до 2000 кОм (2 МОм), и щупами касаемся выводов резистора. На индикаторе появились «нули », означающие, что какое-то сопротивление есть, но из-за того, что диапазон выбран слишком большой, мультиметр не может его определить.
Переводим переключатель в положение «200К
», что соответствует диапазону от 0 до 200 кОм, производим измерение и на индикаторе видим показания «01,1 ». Здесь, уже можно сказать, что номинал нашего резистора составляет приблизительно 1,1 кОм, но впереди стоящий нолик предлагает еще понизить диапазон измерения.
Снижаемся до предела «20К
», что соответствует диапазону от 0 до 20 кОм, и производим измерение. Теперь можно сказать, что номинал нашего резистора составляет 1.2 кОм. А так как основная масса резисторов выпускающихся для бытовой техники имеет допуск ±10%, плюс погрешность самого мультиметра, мы можем смело утверждать, что номинал резистора найден верно.
Возможно еще более точно измерить сопротивление резистора, если снизится до предела «2000
», как уже было сделано в начале статьи.
А теперь в целях эксперимента снизимся до предела «200 Ω
», соответствующего диапазону от 0 до 200 Ом, и еще раз проведем измерение. На индикаторе слева появилась единица (1 ), которая говорит о том, что сопротивление резистора больше, чем позволяет измерять этот диапазон, или имеет обрыв. Отсюда делаем вывод, что на этом пределе производят замер резисторов номиналом только до 200 Ом.
Для измерения сопротивлений до 2000 Ом (2 кОм), целесообразнее пользоваться режимом типа «прозвонка
» (смотри первое фото). Вообще это очень удобная штука, особенно если Вы занимаетесь прозвонкой кабеля, ведете монтаж проводов или проверяете контакты электрической схемы в труднодоступных местах, когда обе руки заняты, держа измерительные щупы, а сам мультиметр висит на проводах своих же щупов. Звуковым сигналом прозвонка сигнализирует о наличии цепи или контакта до 45 Ом, что очень удобно.
Внимание! Прежде чем проводить измерения сопротивлений в схемах, убедитесь об отсутствии питающего напряжения в них!!!
Общие рекомендации
Обязательно включите мультиметр в состав бортового инструмента.
Научитесь им пользоваться, для начала хотя бы измерять напряжение на клеммах аккумуляторной батареи. В холодное время года это наверняка пригодится.
Не приобретайте слишком дорогой мультиметр, тем более, профессиональный. Для обычных измерений вполне достаточно обычного тестера.
Проверьте при покупке, есть ли предел измерений тока 10 Ампер. Он часто бывает нужен при контроле цепей автомобиля.
После использования мультиметра в режимах измерения тока и сопротивления, сразу переключите прибор в режим измерения напряжения или выключите его. Измерение напряжения в цепи при случайно оставленном режиме измерения тока либо сопротивления – наиболее частая причина его выхода из строя.
Обзор популярных моделей
Рассмотрим некоторые модели автомобильных мультиметров.
F716
Производитель Caltek Industrial. Предназначен для выполнения следующих измерений:
- тока, напряжения и сопротивления в режиме обычного мультиметра;
- проверка наличия и параметров импульсов впрыска топлива (форсунок, инжекторов);
- проверка лямбда зондов;
- контроль системы заряда аккумуляторной батареи;
- измерение тока утечки АКБ;
- контроль качества заземления;
- наличие шины RS-232 для подключения к ноутбуку.
В принципе, эти функции, за исключением измерения параметров впрыска и подключения к компьютеру, можно реализовать на обычном мультиметре.
Mastech MS6231
Назначение:
- измерение параметров в режиме обычного мультиметра;
- измерение температуры в пределах от минус 20 до плюс 1000 градусов Цельсия;
- измерение частоты оборотов коленвала;
- измерения угла опережения коленвала (контактное зажигание);
- автоотключение питания;
- удержание результатов измерений, максимального значения.
Наиболее полезная функция – автоотключение питания, она предупредит разряд элемента питания по окончании работ. Частота оборотов двигателя показывается на тахометре автомобиля, контактные системы зажигания используются разве что на Жигулях.
MS8211
Отличается оригинальной формой. В числе очень полезных функций этого мультиметра, помимо мощного фонарика (что иногда очень кстати), возможность бесконтактного контроля напряжения (тока) в проводнике без повреждения изоляции. Опытные автоэлектрики знают, как часто приходится прокалывать иголкой или делать микроразрез, чтобы проконтролировать напряжение в конкретном проводнике.
С помощью специального щупа этого мультиметра можно проконтролировать цепь, не повреждая изоляцию. Бесконтактный контроль напряжений можно сделать и для бытовой сети переменного тока 380 Вольт (при соответствующем положении переключателя режимов). Есть в автомультиметре и «контролька» (лампочка на прозвонку).
Видео — обзор такого мультиметра:
В качестве специальных автомобильных измерений предлагается:
- проверка наличия коротких замыканий и обрыва цепи;
- тест системы зажигания;
- контроль генератора;
- контроль параметров импульсов форсунок.
Весьма оригинальный и полезный прибор.
UNI-T UT105
Помимо обычных функций мультиметра выполняет измерение частоты оборотов двигателя. Для «чайников» на дисплее показывается, к каким разъемам подключать щупы в данном режиме измерений. Весьма оригинально, но не более.
Видео — автомобильный мультиметр UT105 в работе (обзор функций)
Fluke 88V
Американский производитель комплектует мультиметр дополнительными щупами, крокодилами, наконечником на высоковольтные провода, датчиком температуры. В целом, измерительный инструмент можно отнести к профессиональным.
Помимо обычных, мультиметр выполняет измерение параметров импульсов форсунок, в том числе, скважность, частоту вращения коленвала. Есть мегаомметр до 40 МОм, очень полезно для контроля высоковольтных проводов, свечей зажигания
В качестве прибамбасов – квазианалоговая шкала на цифровом дисплее, автоматическая установка предела измерений. Неплохой прибор.
Trisco DA-400
Практически обычный мультиметр с дополнительными функциями «прозвонки», измерения температуры, бесконтактным щупом на высоковольтные провода, измерением угла зажигания (это большой плюс), измерение величины постоянного тока до 15 Ампер (а не 10, как в большинстве – и это плюс).
Производитель в качестве характеристик заявляет ударопрочность при падении с высоты 1, 5 метра (это двойной плюс). При невысокой стоимости такой прибор является практически идеальным, как в практике автоэлектрика, так и для автолюбителя. Одна проблема – на радио- и авторынке найти его достаточно сложно.
Как пользоваться мультиметром: инструкция для чайников
Евгений Филимонов
Задать вопрос
Мультиметр — это достаточно известное приспособление, которое позволяет за считанные секунды выполнить все необходимые измерения электротехнического характера. С его помощью можно быстро и максимально точно установить силу тока и напряжения, сопротивления. В то же время он позволяет легко и максимально эффективно прозвонить цепь на ее целостность.
Как показывает многочисленная практика, с помощью данного измерительного прибора люди, которые занимаются радиотехникой, проверяют диоды и их работоспособность. Кроме того, цифровые мультимеры отлично подойдут и для того, чтобы можно было проверить транзисторы или же разного рода детали для радио. Если говорить о более дорогих моделях, то они имеют гораздо больше функций и позволяют измерить даже емкость конденсаторов, температуру, индуктивность и множество других характеристик, которыми может обладать электрическая техника.
Как работать мультиметром для чайников инструкция по применению dt- 830b, dt-832, dt-838 считается невероятно востребованной, ведь именно эти модели приборов принято использовать чаще всего. Они просты в использовании и имеют не очень высокую стоимость. Если же вы не имеете понятия, как обращаться с измерительным прибором подобного типа, то на нашем сайте вы сможете найти большое количество видео, где показаны все подробности использования изделия на практике.
Uni-T UT33D+

Прибор достаточно простой, но обладает достойными функциональными возможностями.
Самый настоящий карманный измеритель. Мало весит, занимает совсем немного времени. Пригодится как при ремонте и обслуживании автомобиля, так и в процессе решения бытовых вопросов с электрикой или электроникой.
Есть встроенная защита, которая предотвращает поломку прибора при перегрузках. Хороший уровень безопасности, а также незначительная погрешность.
Покупатели отмечают отличную чувствительность, что крайне важно при работе с некоторыми элементами автомобиля и не только. Есть автоматическое отключение и звуковые сигналы
К недостаткам относится незначительное число функций. Но это условно, поскольку многим покупателям больше и не требуется.
Приобрести такой девайс можно за 700-800 рублей.






























